114 Operational Amplifier Test Circuits

114 : Operational Amplifier Test Circuits

Design render
  • Author: Pascal Gesell
  • Description: The test circuit contains an operational amplifier for external feedback, a voltage follower, and an R2R DAC.
  • GitHub repository
  • Open in 3D viewer
  • Clock: 0 Hz

The goal of this analogue circuit project was to design a low-power operational amplifier (op-amp) using only open-source EDA tools targeting the IHP SG13G2 OpenPDK and to measure its performance using three test circuits: an inverting opamp circuit with to be connected external feedback, a voltage follower circuit, and an R2R Digital-to-Analogue Converter (DAC).

How it works

Schematic of the Tiny Tapeout tile

The above schematic shows the Tiny Tapeout analogue tile, containing the three operational amplifier (op-amp) circuits and the auxiliary circuits. The three operational amplifier circuits are configured as a simple inverting amplifier with external feedback, a voltage follower and an R2R DAC. The auxiliary circuits include a Proportional to Absolute Temperature (PTAT) current source for biasing the analogue circuits, a resistor divider, digital level shifters and a 2-to-4 decoder.

Next to the standard digital I/Os, provided by the Tiny Tapeout template, the tile includes three analogue pins ua[0] to ua[2]. The pin ua[0] is used as a 3.3 V power supply input for the analogue circuit, due to the lack of an 3.3 V supply rail on this shuttle (TTIHP26a). The pin ua[1] is used as the output of the three op-amp circuits, which are connected together. The pin ua[2] is used as an input for the inverting amplifier and the voltage follower circuit. It is not used for the R2R DAC circuit. Due to the limited number of analogue pins, an internal resistor divider is used to create a reference voltage of 1.65 V, which is used as the 'virtual ground' for the inverting amplifier and the R2R DAC.

Circuit selection

All three op-amp circuits share the same op-amp design and their outputs are connected to the same output pin ua[1]. Using the digital input pins uio_in[1] and uio_in[0], the user can select which of the three operational amplifier circuits to test. The decoded, active-low output of the 2-to-4 decoder is available on the output pins uo_out[0] to uo_out[3] and can be used to view which circuits are disabled. The following table shows the decoding of the input signals to select the circuit to test:

uio_in[1] uio_in[0] Description
0 0 All op-amps disabled, output ua[1] high-impedance
0 1 External feedback op-amp active
1 0 Voltage follower active
1 1 R2R DAC active

To safe space and due to some LVS problems with the standard cell library, the 2-to-4 decoder is implemented directly using 1.2 V transistors.

2-to-4 decoder

The decoded 1.2 V signals are then level-shifted to 3.3 V using a simple, non-inverting level shifter design.

Non-inverting level shifter

PTAT current source

The PTAT current source is used to provide a stable current source, containing three current mirror outputs with a target current of approx. 25 nA. The PTAT current source includes a start-up circuit to ensure that the current source starts up correctly and does not get stuck in a zero-current state.

PTAT current source

While the core circuit of the PTAT current source is quite compact, the start-up circuit takes up a lot of space due to the voltage drop required to operate the start-up circuit and due to the small current targeted by the PTAT current source. Thus, the start-up circuit alone requires 480 transistors configured at the minimal width and maximal length allowed by the PDK (w=0.3µm, l=10µm) to achieve the required voltage drop and to minimize the current consumption of the start-up circuit.

The circuit not only contains the three mirrored current outputs, but also a start-up signal output, which is used to indicate a successful start-up of the current source (active-high). The start-up signal is available on the output pin uo_out[7] and can be used to check if the current source has started up correctly.

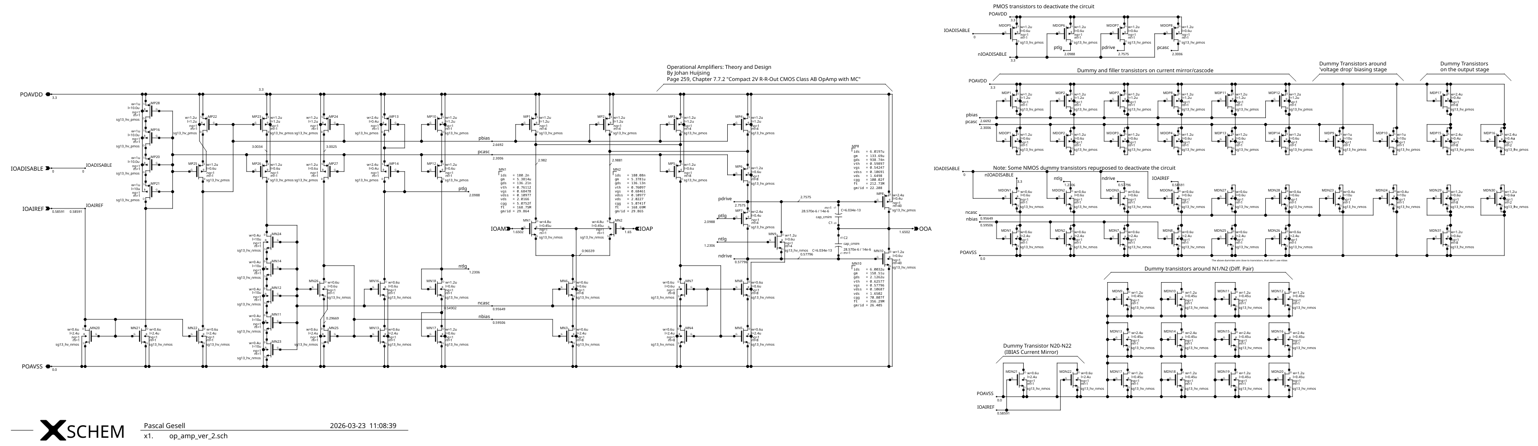
Op-amp design

The design of the operational amplifier is based on a simple two-stage, low-power design. The first stage is a differential pair with a current mirror load, while the second stage is a rail-to-rail output stage. The circuit is designed to operate at a supply voltage of 3.3 V with a bias current of 25 nA, which is provided by the PTAT current source. In addition to the typical op-amp pins (current-bias input, non-inverting input, inverting input and output), the op-amp also includes a disable pin (active-high), which is used to disable the internal op-amp circuit and to put the output in a high-impedance state.

Operational amplifier design

The process corner simulations of the designed op-amp in the voltage follower configuration show unity gain up to 339 kHz in the worst case with a test load of 10 MΩ and 50 pF. Note that these preliminary simulation results were done with the schematic excluding any extracted parasitics.

R2R DAC design

The 8-bit R2R DAC is designed using a simple resistor ladder structure, with the 8-bit input directly connected to the resistor ladder. The R2R DAC is designed to operate at a supply voltage of 3.3 V and to provide an output voltage range close to the supply range. An inverting operational amplifier circuit is used as a buffer stage. Thus, the input bits of the R2R DAC circuit itself are active-low (while the binary value is set via the active-high input ui_in[7:0]). The amplification of the op-amp is set to 0.933 to ensure that the output voltage is within the optimal range of the op-amps output stage. To correctly disable the circuit when the R2R DAC is not selected, an additional transmission gate disconnects the feedback path of the output, as the R2R resistor ladder would otherwise still load the analogue output pin and affect the performance of the other op-amp test circuits when they are selected.

R2R DAC design

Since the R2R DAC does not contain any additional buffers/drivers at the input stage and requires 3.3 V logic levels, the parallel input ui_in[7:0] of the Tiny Tapeout tile are inverted and shifted up by the logic level shifter, before being fed into the R2R DAC circuit. The output buffer stage of the logic level shifter is designed to provide a strong drive strength to ensure the correct operation of the R2R DAC circuit.

Inverting logic level shifter for R2R DAC inputs

Note: Some images are shown as PNGs instead of SVGs due to the large size of some SVG files and the 1 MB size limit of the Tiny Tapeout project datasheet. The original SVG files can be found in the xschem/svg directory.

Simulation results

All designed circuits come with a ngspice/xschem test bench in the xschem directory using the IIC-OSIC-TOOLS docker image:

  • tb_op_amp.sch - Operational amplifier test bench
  • tb_r2r_dac.sch - R2R DAC test bench
  • tb_ptat_curr_gen.sch - PTAT current source test bench
  • tb_ptat_opamp_startup.sch - PTAT op-amp startup test bench
  • tb_digital_decoder.sch - 2-to-4 decoder test bench
  • tb_digital_level_translator.sch - Level shifter test bench
  • tb_res_divider.sch - Resistor divider test bench
  • tb_tie_low.sch - Tie low test bench
  • tb_tt_um_opamp_gfcwfzkm.sch - Full Tiny Tapeout op-amp tile test bench

How to test

See the info.yaml file for the pinout and connect the required test equipment to the right pins. For the input and bidirectional input port of the TinyTapeout Demo Board, you can connect a basic DIP switch Pmod (e.g., the 1BitSquared PMOD DIP Switch) to set the DAC input bits and to select the circuit to test. For the digital output pins, connect a simple LED Pmod (e.g., the Digilent Pmod 8LD) to visualize the currently disabled circuits and the start-up status of the PTAT current source.

For the analogue output pins, you must provide a 3.3 V power supply to the internal analogue circuit using the pin ua[0]. The output of the op-amp circuits can be measured on the pin ua[1] using an oscilloscope or a multimeter. To test the non-inverting amplifier and the voltage follower circuit, you can provide an input signal to the pin ua[2] using a function generator. Note that the analogue input pin is not in use if the R2R DAC circuit is selected.

External hardware

To test and use this project, you will need the following hardware:

  • 2 × 1BitSquared PMOD DIP Switch : A 8-bit DIP switch Pmod
  • 1 × Digilent Pmod 8LD : A 8 LED Pmod
  • A 3.3 V power supply to power the analogue test circuits
  • A function generator to provide input signals for the inverting amplifier and the voltage follower circuit
  • An oscilloscope or a multimeter to measure the output of the op-amp circuits

IO

#InputOutputBidirectional
0DAC_0CIRC_ACTIVECIRC_SEL_0
1DAC_1CIRC_EFB_DISABLEDCIRC_SEL_1
2DAC_2CIRC_FOL_DISABLED
3DAC_3CIRC_DAC_DISABLED
4DAC_4
5DAC_5
6DAC_6
7DAC_7PTAT_STARTUP

Analog pins

uaPCB PinInternal indexDescription
0A55DD3
1B06OUTA
2B17INA

Chip location

Controller Mux Mux Mux Mux Mux Mux Mux Mux Mux Mux Mux Mux Mux Mux Analog Mux Analog Mux Mux Mux Mux Mux Mux Mux Mux Mux Mux Mux tt_um_chip_rom (Chip ROM) tt_um_factory_test (Tiny Tapeout Factory Test) tt_um_oscillating_bones (Oscillating Bones) tt_um_mlyoung_wedgetail (Wedgetail TCDE REV01) tt_um_adex_neuron_ncs (AdEx Neuron NCS) tt_um_opamp_gfcwfzkm (Operational Amplifier Test Circuits) tt_um_analog_genesis (Genesis) tt_um_techhu_analog_trial (SoilZ v1 Lock-In Impedance Analyzer) tt_um_rejunity_vga_logo (VGA Tiny Logo Roto Zoomer) tt_um_rebeccargb_universal_decoder (Universal Binary to Segment Decoder) tt_um_rebeccargb_hardware_utf8 (Hardware UTF Encoder/Decoder) tt_um_rebeccargb_intercal_alu (INTERCAL ALU) tt_um_rebeccargb_vga_pride (VGA Pride) tt_um_urish_simon (Simon Says memory game) tt_um_silicon_art (Silicon Art - Pixel Pig + Canary Token) tt_um_aksp_mbist_mbisr (MBIST + MBISR Built-In Memory Test & Repair) tt_um_wokwi_450492230413445121 (RandomNum) tt_um_wokwi_450492214548484097 (test) tt_um_wokwi_450491696806684673 (Snake) tt_um_wokwi_450491302960427009 (TinyTapeout test) tt_um_wokwi_450492208120711169 (Tadder) tt_um_wokwi_450492222691728385 (test_prj) tt_um_not_a_dinosaur (Not a Dinosaur) tt_um_vga_example (Silly Dog) tt_um_mo_module (vga test project) tt_um_snake_game (SnakeGame) tt_um_cic_filter_demo (Discrete-to-ASIC Delta-Sigma Acquisition System) tt_um_spi_aggregator (Quad SPI Aggregator) tt_um_herald (Herald) tt_um_wokwi_453664332125344769 (Digital Lock with Easter Eggs) tt_um_floAfentaki_top (tinyTapeVerilog_out) tt_um_chrismoos_6502_mcu (m6502 Microcontroller) tt_um_piggy_top (Piggybag) tt_um_wokwi_454491386271657985 (6 Bit Roulette) tt_um_ro_puf_trng (RO-based security primitives) tt_um_wokwi_453674671092670465 (My first Wokwi design) tt_um_ezelioli_blockvga (VGABlock) tt_um_SotaSoC (SotaSoC) tt_um_wokwi_455292199922428929 (Second TT experiment) tt_um_wokwi_455301361268988929 (7-Segment-Wokwi-Design) tt_um_hexcnt_elfuchso ((Hexa)Decimal Counter) tt_um_tobiasgreiser_move_vga_square (move VGA square) tt_um_wokwi_455291603750154241 (Temporary Title) tt_um_wokwi_455297270449581057 (RGB PWM) tt_um_wokwi_455291640579325953 (Primitive clock divider) tt_um_wokwi_455291654653337601 (Tiny Ape Out) tt_um_wokwi_455291618175430657 (adder) tt_um_wokwi_455291689699908609 (test) tt_um_wokwi_455291713774178305 (Just logic) tt_um_wokwi_455291560479595521 (title) tt_um_neb_top (neb tt26a first asic) tt_um_wokwi_455291650915156993 (tiny-tapeout-workshop-result) tt_um_joh1x_prng (8-bit PRNG) tt_um_wokwi_455293127747668993 (Tiny Tapeout) tt_um_wokwi_455291727376311297 (custom_lol) tt_um_wokwi_455291594023558145 (Tiny Tapeout) tt_um_wokwi_455291650157032449 (Tiny Tapeout N) tt_um_tomolt_rasterizer (Tiny Triangle Rasterizer) tt_um_wokwi_455291872587345921 (Test) tt_um_wokwi_455299783033986049 (Example) tt_um_wokwi_455299761916711937 (Try1) tt_um_wokwi_455291701422995457 (Clock Divider Test Project) tt_um_wokwi_455291654560013313 (Test) tt_um_hopfield (Hopfield Associative Memory — Odd Digit Recall on 7-Segment) tt_um_wokwi_455291651646015489 (Workshop Day) tt_um_wokwi_455291845594899457 (83rk: Tiny Tapeout) tt_um_wokwi_455301826476070913 (FirstTapeOut2) tt_um_dranoel06_SAP1 (Programmable 8-BIT CPU) tt_um_wokwi_455300379278483457 (test) tt_um_wokwi_455291837898350593 (Custom_ASIC) tt_um_wokwi_455300931094822913 (Tiny Tapeout Accumulator) tt_um_nampukk_top (Miniproc) tt_um_krimmel_mini_synth (Mini Synth) tt_um_wokwi_455291688143820801 (My first tapeout) tt_um_wokwi_455299760551464961 (Freddys tapeout) tt_um_fir_filter (UART-Programmable 2-Tap FIR Filter) tt_um_arthfink_ddmtd (DDMTD) tt_um_wokwi_455291792579934209 (Test) tt_um_wokwi_455291642603080705 (Test) tt_um_wokwi_455303220350374913 (Simon Says) tt_um_wokwi_455292153909854209 (simple XOR cipher) tt_um_wokwi_455300425088680961 (Hello tinyTapout) tt_um_wokwi_455291692145189889 (^My first design) tt_um_wokwi_455290751669808129 (Tiny Tapeout - Riddle Implementation) tt_um_wokwi_455291724163472385 (Tobias first Wokwi design) tt_um_wokwi_455291807082792961 (My Tiny Tapeout) tt_um_wokwi_455303592417686529 (Count Upwards) tt_um_wokwi_455291645628225537 (Nielss first failure) tt_um_wokwi_455291698669433857 (Tiny_Tapeout_Test) tt_um_wokwi_455293379343017985 (Switch Puzzle) tt_um_yniklas_ma (Multiply-Add) tt_um_yjulian_alu (uCore) tt_um_wokwi_455291641368904705 (WIP Title) tt_um_wokwi_455303526551376897 (just copy 4 not gates) tt_um_wokwi_455303914893650945 (WIP) tt_um_fpga_can_lehmann (FPGA) tt_um_wokwi_455291728585320449 (gatekeeping the gates) tt_um_wokwi_455291738750219265 (RTX 8090) tt_um_ct4111_buzzer (Two Song Buzzer Player) tt_um_wokwi_455291631430488065 (Tudor BCD Test) tt_um_wokwi_455300137923517441 (Tiny Tapeout 1) tt_um_wokwi_455300818767153153 (little frequency divider) tt_um_wokwi_455291748212573185 (Test - clock divider) tt_um_wokwi_455291611094391809 (Counter) tt_um_wokwi_455331155298538497 (WIP) tt_um_mattvenn_vgatest (VGA demo) tt_um_matth_fischer_vgaTT (VGA Squares) tt_um_phsauter_vga_maze (VGA Maze Runner) tt_um_themightyduckofdoom_bitserial_collatz_checker (Bit-Serial Collatz Conjecture Checker) tt_um_tt_tinyQV (Borg - Tiny GPU) tt_um_pgfarley_tophat_top (tophat) tt_um_jamesbuchanan_silly (Silly demo) tt_um_sid (SID Voice Synthesizer) tt_um_tinymoa_ihp26a (TinyMOA: RISC-V CPU with Compute-in-Memory Accelerator) tt_um_embeddedinn_vga (Cyber EMBEDDEDINN) tt_um_urish_rings (VGA Rings) tt_um_swenson_cqs (quad-sieve) tt_um_brmurrell3_m31_accel (M31 Mersenne-31 Arithmetic Accelerator) tt_um_corey (Bernstein-Yang Modular Inverse (secp256k1)) tt_um_wokwi_456019228852926465 (Johnson counter) tt_um_posit_mac_stream (8Bit Posit MAC Unit) tt_um_wokwi_453110263532536833 (Tiny tapeout MAC unit) tt_um_wokwi_456131795093444609 (Test) tt_um_calonso88_spi_i2c_reg_bank (Register bank accessible through SPI and I2C) tt_um_tinyperceptron_karlmose (Tiny Perceptron) tt_um_wokwi_456571536458697729 (Full Adder) tt_um_wokwi_456571856158098433 (MJ Wokwi project) tt_um_pong (TinyPong) tt_um_wokwi_456574262189506561 (Simple counter) tt_um_wokwi_456571610504973313 (4ish bit adder) tt_um_wokwi_456571875721383937 (Hello World) tt_um_tsetlin_machine (Tsetlin Machine for low-power AI) tt_um_wokwi_456574528376856577 (Cremedelcreme) tt_um_wokwi_456571730084640769 (tiny tapeout half adder) tt_um_romultra_top (SPI RAM Driver) tt_um_wokwi_456575247946496001 (4-bit full adder) tt_um_wokwi_456576478636229633 (Alex first circuit) tt_um_wokwi_456571639638628353 (Malthes First Template) tt_um_wokwi_456573048893551617 (And_Or) tt_um_wokwi_456571585305580545 (WIP Bin to Dec) tt_um_wokwi_456571687437989889 (TinyTapeNkTest) tt_um_wokwi_456573098517424129 (2 Digit Display) tt_um_wokwi_456571798679348225 (nand_gate) tt_um_luke_meta (TTIHP26a_Luke_Meta) tt_um_wokwi_456576238411624449 (Tiny Tapeout Amaury Basic test) tt_um_wokwi_456571702278493185 (JayF-HA) tt_um_wokwi_456571626036491265 (Tiny Tapeout First Design) tt_um_wokwi_456571568465442817 (First tinytapeout 234) tt_um_wokwi_456577873995405313 (Switch deBounce for Rotary Encoder) tt_um_wokwi_456571625108498433 (Scott's first Wokwi design) tt_um_wokwi_456578179564131329 (idk) tt_um_wokwi_456573141570913281 (Tiny Tapeout chip) tt_um_wokwi_456578608558661633 (Hidden combination) tt_um_carlhyldborglundstroem_code (8_cool_modes) tt_um_wokwi_456572140961867777 (TestWorkShop) tt_um_wokwi_456575744901356545 (Design_test_workshop) tt_um_wokwi_456571628648495105 (Tiny Tapeout Test Gates) tt_um_wokwi_456578790697395201 (vis_3) tt_um_ISC77x8_HansAdam2077 (ISC77x16) tt_um_wokwi_456571702213480449 (Tiny Tapeout Test Gates) tt_um_wokwi_456575028603245569 (Test) tt_um_wokwi_456571746867102721 (fullAdder) tt_um_wokwi_456576548374933505 (My first design) tt_um_wokwi_456571983499280385 (Tiny Tapeout Test) tt_um_wokwi_456579003210233857 (Tiny Tapeout placeholder) tt_um_wokwi_456572032892464129 (Workshop) tt_um_hoene_smart_led_digital (Smart LED digital) tt_um_wokwi_456572126761001985 (test project) tt_um_schoeberl_undecided (Undecided) tt_um_flummer_ltc (Linear Timecode (LTC) generator with I2C control) tt_um_jalcim (tiny_tester) tt_um_ECM24_serv_soc_top (FH Joanneum TinyTapeout) tt_um_fabulous_ihp_26a (Tiny FABulous FPGA) tt_um_LnL_SoC (Lab and Lectures SoC) tt_um_ygdes_hdsiso8_dlhq (ttihp-HDSISO8) tt_um_algofoogle_fomo (FOMO) tt_um_chrbirks_top (ADPLL) tt_um_MichaelBell_photo_frame (Photo Frame) tt_um_miniMAC (miniMAC) tt_um_crockpotveggies_neuron (Neuromorphic Tile) tt_um_coastalwhite_canright_sbox (Canright SBOX) tt_um_ebeam_pixel_core (E-Beam Inspection Pixel Core) tt_um_DelosReyesJordan_SEM (8-bit SEM Floating-Point Multiplier) tt_um_chisel_template (One One) tt_um_vga_tetris (VGA Tetris) tt_um_wokwi_457062377137305601 (Count To Ten) tt_um_techhu_rv32_trial (LoRa Edge SoC) tt_um_risc_v_wg_swc1 (ttihp-26a-risc-v-wg-swc1) tt_um_andreasp00 (TT6581) tt_um_pakesson_glitcher (Glitcher) tt_um_intv0id_kalman (Kalman Filter for IMU) tt_um_neuromurf_seq_mac_inf (SEQ_MAC_INF_16H3 - Neural Network Inference Accelerator) tt_um_obrhubr (8-bit Prime Number Detector) tt_um_anujic_rng (True(er) Random Number Generator (TRNG)) tt_um_async_test (Chisel Async Test) tt_um_wokwi_458140717611045889 (O2ELHd 7segment display) tt_um_libormiller_SIMON_SPI (SIMON) tt_um_tschai_yim_mill (Tschai's Tic-Tac-Toe) tt_um_microlane_demo (microlane demo project) tt_um_vga_leonllrmc (LLR simple VGA GPU) tt_um_mchiriac (TinyTapeout-Processor2) tt_um_RongGi_tiny_dino (tiny_dino) tt_um_kianv_sv32_soc (KianV SV32 TT Linux SoC) tt_um_chatelao_fp8_multiplier (OCP MXFP8 Streaming MAC Unit) tt_um_filterednoise_infinity_core (Infinity Core) tt_um_alessio8132 (4-bit processor) tt_um_pwm_controller_atudoroi (UART interfaced 8ch PWM controller) tt_um_uart_alu (UART-ALU Processor) tt_um_ALU_t_rick (A fully functional ALU (Arithmetic logic unit)) tt_um_TscherterJunior_top (smolCPU) tt_um_lkhanh_vga_trng (VGA multiplex with TRNG) tt_um_wokwi_456572315745884161 (Tiny tape out test) tt_um_tmr_voter (Triple Modular Redundancy) tt_um_adriantrummer_checker (TinyTapeout VGA Checker) tt_um_jamesbuchanan_silly_mixer (Silly Mixer) tt_um_wokwi_456576419565744129 (tinytapeout_henningp_2bin_to_4bit_decoder) tt_um_ztimer_top (Tiny Tapeout Factory Test for ttihp-timer) tt_um_michaelstambach_vogal (VoGAl) tt_um_teenyspu (TeenySPU) tt_um_wokwi_458752568884674561 (7 segmant ihp resistcode) tt_um_Xelef2000 (RNG) tt_um_gschultz_bouncingcheckers (Bouncing Checkers) tt_um_ygdes_hdsiso8_rs (ttihp-HDSISO8RS) tt_um_malik_tiny_npu (Tiny NPU: 4-Way Parallel INT8 Inference Engine) tt_um_malik_mac_ripple (Gate-Level 8-bit MAC with Ripple-Carry Accumulator) tt_um_faaaa (Demoscreen full of RICH) tt_um_sat_add_blanluc (8 bit saturated adder) tt_um_wokwi_455303279136701441 (Spell. My. Name.) tt_um_thomasherzog_plasma (Plasma) tt_um_YannGuidon_TinyScanChain (TinyScanChain) tt_um_moss_display (moss_display) tt_um_delta (Delta Wing Flight Control Mixer with PWM Output) tt_um_maluei_badstripes (badstripes) tt_um_float_synth_nikleberg (float_synth) tt_um_catalinlazar_ihp_osc_array (IHP Gate Delay Characterizer (3-Flavor)) tt_um_essen (2x2 Systolic array with DFT and bfloat16 - v2) tt_um_ecc_gf2_8 (Tiny_ECC) tt_um_wokwi_459117403524075521 (4-bit ALU) tt_um_gfcwfzkm_scope_bfh_mht1_3 (Basic Oszilloscope and Signal Generator) tt_um_recursivetree_tmmu_top (Tiny MMU) tt_um_prime (8-bit Prime Number Detector) tt_um_gian_alu (tt_gian_alu) tt_um_multitool_soc_mauro_ciccone (Multi-Tool SoC) tt_um_FTEVE_FISH (Flying Fish) tt_um_wscore (8-bit RISC-V Lite CPU) tt_um_wokwi_459234034322375681 (TinyTapeout Signal Box) tt_um_anna_vee (2 digit minute timer) tt_um_zettpe_mini_psg (Mini PSG) tt_um_pmiotti_squares_hypnosis (hypnotic squares) tt_um_mzollin_glitch_detector (Glitch Detector) tt_um_spongent88 (Spongent-88 Hash Accelerator) tt_um_8bit_mac (8bit-mac-unit) tt_um_wokwi_459285910800527361 (4-Bit Counter and Registers Demo) tt_um_tobisma_random_snake (Random Snake) tt_um_maze_game (Maze Explorer Game) tt_um_ihp26a_ring_osc (Verilog ring oscillator) tt_um_vga_ca (vga_ca) tt_um_wokwi_459299619699169281 (TinySRAM) tt_um_jmkr_ece_git_code_lock (Code Lock) tt_um_wokwi_459303685175910401 (Bday Candle Chip) tt_um_wokwi_455293203542942721 (1-4 Counter) tt_um_wokwi_454935456504261633 (2 Bit Adder) tt_um_wokwi_455291660779120641 (74LS138) tt_um_wokwi_455291682546516993 (Mein Hund Gniesbert) tt_um_wokwi_455291649462874113 (Tiny Tapeout Full Adder) tt_um_wokwi_455293410637770753 (Yturkeri_Mytinytapeout) tt_um_wokwi_455291642978471937 (2-Bit Adder) tt_um_wokwi_456118923713667073 (4-Bit Adder) tt_um_wokwi_456571724337390593 (7 Segment Binary Viewer) tt_um_wokwi_456578784059908097 (7 segment number viewer) tt_um_wokwi_456571605697249281 (Hello) tt_um_wokwi_456576571487651841 (7 Segment BCD) tt_um_wokwi_456571686260436993 (Tiny Tapeout Workshop Test) tt_um_wokwi_455291787137823745 (TinyTapeout logic gate test) tt_um_wokwi_455291649222749185 (lriglooCs-first-Wokwi-design) tt_um_wokwi_456578694921494529 (sree) tt_um_wokwi_456571638794523649 (GDS Test) tt_um_2048_vga_game (2048 sliding tile puzzle game (VGA)) tt_um_urish_usb_cdc (USB CDC (Serial) Device) tt_um_tippfehlr_nyan_cat (NYAN CAT) tt_um_wokwi_459210187582694401 (Simple Counter) tt_um_zouzias (Yet another VGA tinytapeout) tt_um_Jan_three_body_solution (Three Body Solution) Available Available Available Available Available Available Available Available Available Available Available Available Available Available Available Available Available Available Available Available Available Available Available Available Available Available Available Available Available Available Available Available Available Available Available Available Available Available Available Available Available Available Available Available Available Available Available Available Available Available Available Available Available Available Available Available Available Available Available Available Available Available Available Available